会员服务
  首页 | 最新采购 | 现货热卖 | IC库存 | 非IC库存 | 应用资料&程序库 | 交流区 | 供应商 | 生产商 | 技术资料
应用资料:  
您现在的位置:首页 >  技术资料   上载库存  

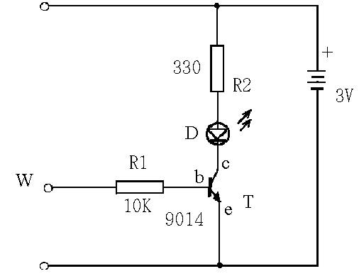
NPN型三极管的开关作用

电路用途

了解NPN型三极管加电方向及通、断(开关)作用。

工作原理

三极管除了有对电流放大作用外,还有开关作用(即通、断作用),当基极加上正偏压时,NPN型三极管即导通处于饱和状态及灯会亮,反之,三极管就不导通,灯不亮。

实验方法

按接线图表5接好电路,注意三极管e、b、c三个管脚及发光二极管的极性不要接错。R1是基极的偏置电阻,当用红线(W)接到14号弹簧或8号弹簧时都可向基极加上偏置电流使三极管导通,(即c、e极间相当于短路),发光二极管D导通发光。当红线(W)接到20号弹簧时,由于20号弹簧的电位低,三极管不导通(即c、e间相当于断路)发光二极管D不发光。

元件作用

电阻R1基极偏置用,电阻R2有限流作用,也是三极管集电极的负载电阻。发光二极管D指示作用,三极管T开关作用,电池E供电。

 

实验电路图

 
 

接线图

 




关于我们 | 会员服务 | 广告服务 | 支付方式 | 联系我们 | 友情链接

会员服务热线:

深圳矽通科技版权所有 © Copyright 2005-2007, ic-cn.com.cn All Right Reserved.  粤ICP备07006430号
深  圳13410210660             QQ : 317143513   点击这里与电子元件采购网联系
客服联系: MSN:CaiZH01@hotmail.com       E-mail:info@ic-cn.com.cn